





















Насос HELIX V 3011/2-1/25/E/KS/400-50-N

Насос HELIX V 4211/2-1/30/E/KS/400-50-N

Насос HELIX V 7007-1/25/E/KS/400-50-N

Насос HELIX V 9508/2-1/30/E/KS/400-50-N

Насос погружной
REXA PRO V06DA-214/EAD1E2-T0015-540-O

Насос погружной
SSP 80.200.V.HA-3.4.T40.5.F.0.SC.MI

Насос погружной
Drain TMT 32M113/7,5Ci

Скважинный насос TWU 4-0207-C-EM

Поверхностный насос WJ-204-X-EM

Поверхностный насос HWJ-204-EM-R

Насос с сухим ротором
IPL 32/125-1,1/2

Насос с сухим ротором
IPL 40/130-2,2/2

Насос с сухим ротором
IPL 50/130-2,2/2

Насос с сухим ротором
Wilo-NLI

Насос с сухим ротором
Wilo-NLB

Центробежный насос
Wilo-Atmos GIGA-N

Автоматическая установка повышения давления Wilo-PW

Автоматическая установка для водоснабжения HiMulti 5

Дренажный насос
Wilo-PU-S400E

Насос для отвода сточных вод Wilo-DSP

Насос двухстороннего входа Wilo-TSC

Насос консольный
Wilo-ESP, ESP-HT

Полупогружные вертикальные насосы
Wilo-ESPV

Высоконапорный многоступенчатый вертикальный насос
Wilo-MSPV

Вертикальный турбинный насос Wilo-VTP
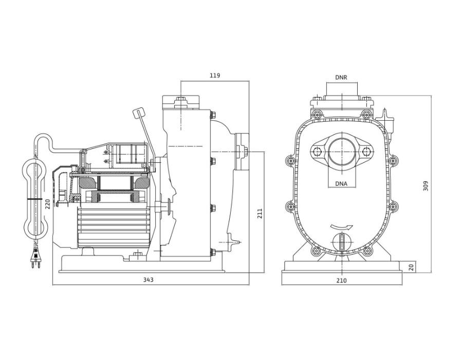
Нормальновсасывающий насос с сухим ротором и резьбовым соединением.
Применение:
Повышение давления в системах холодного и горячего водоснабжения (до 100 °C), в том числе в централизованных системах. Повышение давления перед бытовыми приборами: газовыми колонками, стиральными, посудомоечными машинами и т.п.
Технические характеристики:
Подключение к сети: 1~ 220 В/50Гц
Класс изоляции: B
Cтепень защиты: IP 44
Тип перекачиваемой жидкости: чистая вода
Температура перекачиваемой жидкости: от 0 °С до +80 °С (до +100 °С в модели PB-H089EA)
Максимальное рабочее давление: 2 бар
Температура окружающей среды: от 0 °C до +40 °C
Уровень шума: ≤62 dB (A)
Термическое реле электродвигателя: есть
Материалы:
Обмотка: медь
Вал: нержавеющая сталь
Ротор: холоднокатанная сталь/медь
Рабочее колесо: норил
Корпус насоса: серый чугун
Комплект поставки:
Насос повышения давления в сборе
Комплект монтажных принадлежностей
Инструкция по монтажу и эксплуатации
26.7 А
15 кВт
IE3
22.8 А
11 кВт
IE2
55.7 А
30 кВт
IE2
0.9 А
0.37 кВт
IE3
0.9 А
0.37 кВт
IE3
4.3 А
2.2 кВт
IE3
13.9 А
7.5 кВт
IE3
13.9 А
7.5 кВт
IE3
39.1 А
22 кВт
IE3
78.8 А
45 кВт
IE3
78.8 А
45 кВт
IE3
98.4 А
55 кВт
IE3
3.6 А
1.5 кВт
IEI
7.3 А
3 кВт
F
2.5 А
0.75 кВт
F
3.35 А
0.37 кВт
B
6.2 А
1 кВт
B
6.2 А
1 кВт
B
2.2 А
1.1 кВт
F
4.2 А
2.2 кВт
F
4.2 А
2.2 кВт
F
Центробежный насос Wilo-Atmos GIGA-N
Автоматическая установка повышения давления Wilo-PW
Высокоэффективная автоматическая установка для водоснабжения серии HiMulti 5
Дренажный насос Wilo-PU-S400E
Насос для отвода сточных вод
Wilo-DSP
Насос двухстороннего входа Wilo-TSC
Консольный насос
Wilo-ESP, ESP-HT
Полупогружные вертикальные насосы Wilo-ESPV
Высоконапорный многоступенчатый вертикальный насос Wilo-MSPV
Вертикальный турбинный насос
Wilo-VTP




